国家发改委近日印发了《关于核定区域电网2018-2019年输电价格的通知》(以下简称“通知”)。“通知”规定了华北、华东、华中、东北和西北区域电网首个监管周期(2018 年1 月1 日-2019 年12 月31 日)两部制输电价格水平,其中:电量电价随区域电网实际交易结算电量收取,由购电方承担;容量电价随各省级电网终端销售电量(含市场化交易电量)收取。
据了解,从2014年12月到2017年上半年,我国输配电价改革实现了从“破冰”到“全覆盖”。
2014年12月,蒙西和深圳走在全国前列,率先完成了输配电价改革“破冰”,标志着新电改加速;
2015年上半年,云南、贵州、安徽、宁夏和湖北等五省入选第二批输配电价改革扩大试点省份,从此以后,输配电价改革由点及面,范围逐渐扩大;
2016年3月,北京、天津、冀南、冀北、山西、陕西、江西、湖南、四川、重庆、广东、广西等12个省级电网列入输配电价改革试点范围,为全面推开输配电价改革打好基础;
同年9月,国家又将输配电价改革扩大到蒙东、吉林、黑龙江、上海、江苏、浙江、福建、山东、河南、海南、甘肃、青海、新疆等14个省级电网,实现了改革试点全覆盖。
不久前,国家发改委出台了《跨省跨区专项工程输电价格定价办法(试行)》和《关于制定地方电网和增量配电网配电价格的指导意见》等文件,标志着我国将全面深入推进输配电价改革。
省级输配电价核定从“破冰”到“全覆盖”,有力地推动了电力市场建设。
华北电力大学教授曾鸣认为各省输配电价基本上已经核定完成,后续如果按照新机制来运行,电力市场交易进展会比较快;发改委价格司巡视员张满英表示输配电价改革有利于加快市场化的进程,使用户和企业通过市场直接见面,以多买多卖形成竞争性格局,继而形成竞争性价格,更好地发挥市场在配置资源中的决定性作用;国家发改委政策研究室主任严鹏程表示,2017年市场化交易电量规模大幅增长,交易电量累计1.63万亿千瓦时,同比增长45%,占全社会用电量比重达26%左右,为工商企业减少电费支出603亿元,市场化的电量比重从7%提高到25%。随着输配电价改革的进一步发展,电力市场化交易规模将会不断持续扩大。
省级输配电价的核定从“破冰”到“全覆盖”,有利于实现清洁能源的无障碍消纳。
近几年,我国光伏、风电、水电等清洁产业发展迅速,但清洁能源的消纳问题一直很突出,没有得到实质性地解决,弃风、弃光率长期居高不下。实施输配电价改革,有利于发电企业与用电方通过电力市场直接交易,构建竞争性电力交易市场。如此一来,用户可以自由选择用谁发电,从而促进电力交易市场建设,实现清洁能源的无障碍消纳。
省级输配电价的核定从“破冰”到“全覆盖”,降低了企业的用电成本,释放了改革红利。
输配电价是电价形成机制的重点内容,过去的输配电价由政府统一定价和进行监管,依靠省电网公司向用户售电收入与向发电公司买电费用的购销差价形成。电网的盈利模式主要是低买高卖吃差价,导致企业电费负担沉重。核定输配电价后,电网的盈利模式由过去依靠“低价买上网电价,高价卖销售电价”转变为“成本加合理收益”的模式,电网环节收费进一步规范,大大降低了企业的用电成本。
下面,小编就带大家来梳理一下我国输配电价的核定情况。
由上图可知,我国首轮输配电价改革试点已经全面完成,仅有新疆、黑龙江、蒙东、西藏的省级输配电价尚未公布。除此之外,从上图数据我们还可以看出,我国输配电价区域差异较大,华东、华北、华中地区高于西北、东北地区,尤其是北京、上海等地的输配电价位于全国较高水平,而贵州、云南等地则处于全国较低水平。
以下为全国31省市已公布的输配电价省份排行。
大工业电度电价
1.1-10kv电压等级下,青海最低为0.1023元/千瓦时,上海最高为0.2782元/千瓦时。
2..35kv电压等级下,山西最低为0.0888元/千瓦时,上海最高为0.2298元/千瓦时。
3.110kv电压等级下,广东深圳最低为0.0679元/千瓦时,上海最高为0.1874元/千瓦时。
4..220kv电压等级下
大工业基本电价
大工业基本电价分最大需量和变压器容量两种计费方式,从基本电价的情况来看,天津最低,北京最高。
一般工商业及其他电度电价
1.不满1kv电压等级下,河北最低为0.2430(元/千瓦时),湖北最高为0.4862(元/千瓦时)。
2.1-10kv电压等级下,深圳最低为0.1794元/千瓦时,湖北最高为0.4662元/千瓦时。
3.35kv电压等级下,河北北部电网最低为0.218元/千瓦时,湖北最高为0.4462元/千瓦时。
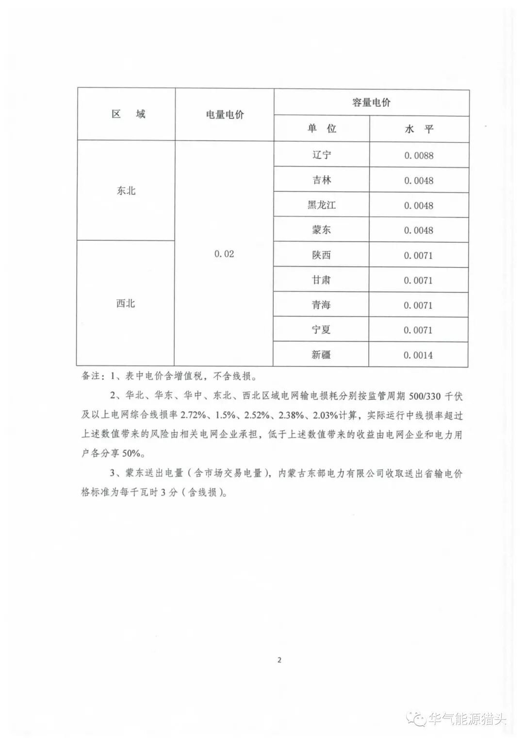
《关于核定区域电网2018—2019年输电价格的通知》(发改价格[2018]224号):
【天然气】全球LNG市场新趋势利好中国供气安全 11月中国LNG进口量651万吨 同比增长9.4%
2019-12-23
【天然气】项目总投资2.39亿美元,中集圣达因LNG低温装备基地项目开工 打造全球最大的LNG低温装备产业基地
2019-12-23
【石油】中国首次发布原油进口周度到岸价格,原油市场新添“风向标” 未来或影响我国天然气市场定价
2019-12-23
【天然气】澳门天然气与北京京能正式签署合作协议 直湾岛LNG接收站将建三条海底管道直通粤港澳
2019-12-23
【石油】国务院:支持符合条件的企业参与原油进口、成品油出口(附:《关于营造更好发展环境支持民营企业改革发展的意见》)
2019-12-23
关于我们 | 猎头介绍 | 居间业务 | 新闻中心 | 猎头职位 | 供需信息 | 联系我们 | 网站地图
--------------------------------------------------------------------------------------------------------------------------------------------
经营理念:互信/互助/互利 地址:中国厦门自贸区(海沧保税港区)海景东路12号西侧一层(PC:361026)
企业微信号:energyhunt 网址:http://www.hqhunt.com 邮箱:hqhr@hqhunt.com
Copyright(c)2016-2020 版权所有:厦门华气信息咨询有限公司 闽ICP备16001811号-1
